Owner
AMAZON SHIPPING B.V.
Zuideinde 49 1843JM Grootschermer
The Netherlands
Contacts
Jan Wind
+31 62 139-3631
jan@wind.nl
Oleg Doroshenko
+7 921 944-8257
management@suzie-q.nl
Post address
Amazon Shipping BV
c/o Jan Wind Shipping
Zuideinde 49 1843JM Grootschermer
The Netherlands
Exclusive cargo broker
BLUE MARLIN CHARTERING B.V.
Erik Wind
+31 6 11 53-4488
Kees de Jong
+31 6 82 50-5409
bluemarlin.net
Technical specifications
Certificates
For mariners
Technical specifications
TYPE:
General cargo / Singledecker
1 hold / 1 hatch
2 cranes x 12.5 tons
FLAG:
Antigua flag
CLASS:
Bureau Veritas
P&I:
NNPC Haren, The Netherlands
BUILDERS:
Bijlholt, Holland 1983
REGISTER TONNAGE:
GT 1980
NT 1028
DIMENSIONS:
Length over all 81.70 mtr
Beam 14.20 mtr
Moulded depth 6.45 mtr
DEADWEIGHT CAPACITIES:
Summer draft: 5.38 mtr salt DWT 3009.7 mt
Tropical draft: 5.48 mtr salt DWT 3109.7 mt
Winter draft: 5.26 mtr salt DWT 2910.1 mt
CONTAINER CAPACITIES:
95 TEUS
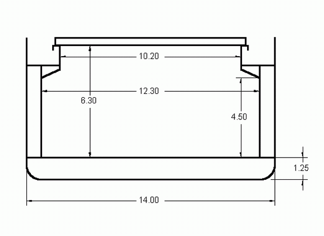
CARGO HOLD:
1 unobstructed hold 53,30 x 12,30 mtr
Partly doubleskinned – narrowing fore and after
(see drawings)
Bale capacity 128 799 cbft
Grain capacity 133 815 cbft
Fully grainfitted
1 McGregor hatch 41.20 x 10.20 mtr
CRANES:
2 hydraulic cranes of 12,5 tons each (Starboard)
DECK STRENGTH:
Tanktop 6,0 ts per sqm
Hatchcovers 1,5 ts per sqm
SPEED & CONSUMPTION:
Abt 10,5 knots on 4.5 tons MGO
MAIN ENGINE:
Type – Caterpillar 3606
Max power – 1182 kWt
TANK CAPACITIES:
Fuel 245 cbm
Fresh water 32 cbm
Ballast water 1010 cbm
General arrangement plan
Certificates
Certificate of Bareboat Charter Registry
Certificate of Classification
Cargo Ship Safety Construction Certificate
Cargo Ship Safety Equipment Certificate
Cargo Ship Safety Radio Certificate
International Tonnage Certificate
International Load Line Certificate
International Oil Pollution Prevention Certificate
Minimum Safe Manning Document
International Ship Security Certificate
ISM Document of Compliance
ISM Safety Management Certificate
Maritime Labor Certificate
Attestation of Cargo Gear Survey
P&I Insurance NNPC
Hull & Machinery Insurance NNAM
International Ballast Water Management Certificate
International Air Pollution Prevention Certificate
International Sewage Pollution Prevention Certificate
International Energy Efficiency Certificate